[전력반도체] 과도현상 테스팅 플랫폼과 LDO 및 벅 레귤레이터의 자동화 기법 - 1
[전력반도체] 과도현상 테스팅 플랫폼과 LDO 및 벅 레귤레이터의 자동화 기법 - 2
레귤레이터의 성능을 높이기 위해서는 과도현상, 부하 과도현상, 스타트업, 부하 및 라인 조절 등이 중요하다. 하지만, 이러한 요소들을 평가하기 위해서는 하드웨어 테스트 플랫폼을 위한 최신 툴과 우수한 기술이 필요하다. 이러한 툴은 파라미터 특성화에 필요한 정밀하고 높은 샘플 레이트를 가능하게 해주며, 자동화 기술을 지원하여 테스트 속도를 높이고 반복적인 결과를 확보해준다. 이 글에서는 과도현상 테스팅 플랫폼과 LDO 및 벅 레귤레이터의 자동화 기법을 알아본다.
기가헤르츠(gigahertz) 범위에서 작동하는 무선기기 모바일 프로세스의 경우, 높은 성능, 긴 배터리 수명, 작은 크기 및 저렴한 비용을 요구하는 소비자들이 점차 늘고 있다. 이에 따라 전원 관리 회로의 설계 문제는 점점 더 복잡해지고 있다.
LDO(Low dropout regulators)와 스위칭 레귤레이터는 독립형 레귤레이터 및 PMU(power management units)를 가진 휴대형 시스템에서 필수불가결한 부품이다. 고속의 휴대형 통신 애플리케이션 디바이스는 더 빠른 응답 시간을 요구하는 레귤레이터를 채택하고 있기 때문에 레귤레이터 성능 및 이점을 엄격하게 검증해야 전원 관리 제품의 신뢰도를 확보할 수 있다.
핵심적인 성능 파라미터들로는 라인 과도현상, 부하 과도현상, 스타트업, 부하 및 라인 조절 등이 있다. 이 파라미터에 대한 완전한 분석을 위해서는 하드웨어 테스트 플랫폼을 위한 최신 툴과 우수한 기술이 필요하다. 이러한 툴은 파라미터 특성화에 필요한 정밀하고 높은 샘플 레이트를 가능하게 해주며, 자동화 기술을 지원하여 테스트 속도를 높이고 반복적인 결과를 확보해준다.
하이엣지 레이트 및 재사용 가능한 테스트 기기 구현
레귤레이터의 핵심 파라미터를 정확하게 평가하기 위해서는 라인 전압 및 부하 전류에서 레귤레이터의 제어루프 응답 시간과 관련해 빠른 스텝으로 발생시켜야 한다. 연산 증폭기 및 패시브 부품, 대형 드라이버 체인 등을 사용하는 랩 장비와 수많은 상용 기기들은 큰 진폭으로 자극 신호의 상승 및 하강 횟수를 제한할 수 있다. 부하 과도현상(>>1A/μs) 및 라인 과도현상(>>0.1V/μs, 입력 캡에서)의 고속 엣지 레이트를 얻는데 사실상 재고 제품은 사용할 수 없다.
느린 과도현상 자극은 불량한 레귤레이터를 양호하게 보이도록 만들 수 있다. 이에 대응하여 지속적인 연구개발(R&D)을 통해 설계를 더욱 간소화하였고, 그 결과 기생 L과 C가 낮아 구축과 복제가 쉬워 설계 및 애플리케이션 랩에 사용하기 적합해졌다. 상당한 테스트 지그를 설정하는 것만으로 솔루션의 반은 해결한 셈이다. 최적의 응답을 달성하기 위해서는 DUT(device under test)를 반드시 유선 연결하거나 인쇄회로기판(PCB)에 소켓을 끼워야 한다.
또한 최적의 그라운드 및 공급장치 도관, 바이패싱, 전하 저장소, 외부 지원 부품 등을 적절히 선택하는 것도 중요하다. 무엇보다, 부적절한 부품과 물리적 레이아웃의 원치 않는 영향이나 기생이 아닌 DUT를 확인할 수 있다는 것이 가장 큰 이점이다.
테스트 하드웨어의 문제와 한계에 대한 서문
부하 과도현상 테스트에서 레귤레이터의 입력은 일정 전압 소스에 의해 구동되며, 출력은 더 큰 저항 부하나 전류 싱크로 빠르게 전환된다. 라인 과도현상 테스트는 라인 전압 스텝이 레귤레이터 입력 위치에서 빠르게 주입되고 그 출력은 일정 부하를 통해 지원된다는 점에서 비슷하다. 그림 1은 과도현상 테스팅의 전형적인 테스트 환경을 보여주고 있다. 이 환경은 비교적 모듈화되어 있어 조립이 쉽고 케이블 길이가 길어 레거시 기술에 적합하다. 하지만 이 환경은 기생과 그라운드 루프, 높은 전압 및 전류 때문에 오늘날의 요건에는 충분하지 않다.

그림 1. 과거의 과도현상 테스팅 환경
테스트-지그 기생 및 자동화
PMU 및 레귤레이터의 반자동 테스팅을 위한 과도현상 테스팅 프로그램이 2013년 1월에 착수됐다. 해당 프로그램의 이점을 확인하기 위해 범용 레귤레이터 테스트 베드를 구축했다. 그림 2와 그림 3은 LDO 레귤레이터 테스트 지그를 보여주는 것으로써 반자동 테스팅을 위해 가공된 소켓 핀을 통해 평가보드(EVB)를 수용할 수 있다. 그 회로도는 그림 4에 나와 있다. 그림 5∼7까지는 유사 과도현상 테스트 지그와 벅 레귤레이터의 회로도를 보여준다.

그림 2. 과도현상 테스트 지그와 LDO EVB

그림 3. LDO 테스트 지그의 뒷면

그림 4. LDO 테스트 지그의 회로도

그림 5. 과도현상 테스트 지그와 벅 레귤레이터 EVB

그림 6. 벅 레귤레이터 테스트 지그의 뒷면

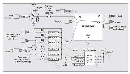
그림 7. 벅 레귤레이터 테스트 지그의 회로도
추가 개선 사항
이 테스트 지그를 사용한 실험에서 기생 및 전류 루프를 크게 줄여 목표 제품을 검증하기 위한 엣지 레이트 자극이 더 빨라졌다는 사실이 확인됐다. 2013년 6월, 후속편으로 더 높은 성능의 통합 과도현상 테스트 지그를 위한 설계를 강화했다. 이 지그는 오늘날의 높은 대역폭과 빠른 엣지 레이트 제품은 물론이고 미래 세대의 제품까지 수용할 수 있을 것이다.
그림 8에서 볼 수 있듯이 강화된 지그는 원형 PCB 구성으로 설계됐고, 이것은 DUT의 EVB를 조정하여 최대한의 탄력성을 발휘할 수 있다. 다른 DUT 레이아웃은 최적의 성능을 발휘할 수 있도록 PCB에 납땜을 하는 것이다. 무선주파수(RF)가 보드에 사용되었고 PCB 트레이스를 맞췄으며, 임피던스를 제어했다. 또한 지그는 재충전 배터리 팩으로 DUT에 깨끗하고 조용하게 전력을 제공하므로 저잡음 애플리케이션에 적합하다. 극한의 테스트 요건을 위해 누출 없이 밀봉 할 수 있는 온도 사이클링 에어스트림 시스템에 연결되도록 지그를 재설계했다.
그러면 극한의 온도에서 어는 것을 방지할 수 있다. 그 결과가 그림 9의 성 모양 금속 하우징 구조이다. 이것은 EVB의 퍼스널리티 카드 PCB를 지원한다. 그 대안으로 다이렉트-온-보드 DUB 마운트를 가진 원형 PCB를 들 수 있다. 또한 온도 사이클링 하우징에 연결하기 위해 고온 반투명 플라스틱 어댑터를 포함시켰다.

그림 8. 보드에서 저항식 부하를 가진 강화된 테스트 지그

그림 9. PMU를 위한 온도 사이클링 테스트 지그와 퍼스널리티 PCB
아키텍처 및 자동 테스트 흐름
자동 테스트 플랫폼을 위한 테스트 환경의 블록 다이어그램을 그림 10에 나타냈다. 공급장치 블록은 모든 전압 입력과 라인 과도현상 입력을 DUT에 제공하며, 부하 블록은 릴레이로 제어되는 여러 저항식 부하를 제공한다. 그리고 컨트롤 블록은 DUT와 연결을 담당하며, 공급장치 및 부하 설정 변경도 함께 담당한다. 측정 블록은 입/출력 전압 및 전력의 측정을 맡는다.

그림 10. 일반 테스트 환경
LDO 테스트 지그
그림 4의 지그 회로도를 바탕으로, 라인 과도현상 입력을 함수 제너레이터에 연결해 LDO에 라인 과도현상 입력을 제공한다. 함수 제너레이터가 많은 전류를 공급할 수 없으므로, E미터 팔로워를 사용하여 입력에 공급할 전류를 증가시킨다. 9Ω 레지스터는 E미터 팔로워 회로의 출력 위치에 연결되어 입력 라인 과도현상의 하강 시간에 입력 커패시터의 빠른 방출을 가능하게 한다.
라인 과도현상이 필요하지 않는 테스트의 경우에는 일정 DC 전압이 라인 과도현상 입력을 통해 제공되는데, 이것은 LDO의 입력에 연결되어 있다. 함수 제너레이터를 사용하는 스타트업 테스트의 경우, 이네이블(EN) 입력을 이용해 펄스를 제공할 수 있다.
다른 테스트의 경우에는 정기적인 이네이블 작동을 위해 일정 DC 전압과 함께 이네이블 핀이 제공된다. 부하 과도현상 입력도 함수 제너레이터로 제어되며, 이는 부하 과도현상 테스트를 위해 NMOSFET을 지속적으로 전환한다. 기본 부하(LDO의 경우 1mA 부하)는 항상 LDO의 출력에 연결된다. 하지만 필요 시 분리할 수 있다. 다른 3개의 저항식 부하는 3개의 릴레이를 이용해 제어되며, 이후 이 릴레이들은 USB 릴레이 컨트롤러를 통해 컴퓨터로 제어된다.
벅 테스트 지그
벅 레귤레이터 테스트 지그의 시스템 아키텍처를 그림 7에 나타냈다. 이는 사실상 LDO 지그와 같다. 유일한 차이는 새로운 릴레이 세 개를 추가한 것이다. 추가된 이유는 벅 IC를 위한 부하 과도현상 테스트의 복잡한 속성 때문이다. LDO와 달리 부하 과도현상은 부하 과도현상 테스팅을 위해 서로 다른 기본 전류들로 구성된다. 예를 들어 LDO의 경우, 필요한 부하 과도현상은 1mA~20mA, 1mA~100mA, 1mA~250mA이다.
그러나 벅의 경우, 여러 부하 과도현상 테스트들은 1mA~50mA, 50mA~400mA, 200mA~400mA, 0.6A~1A를 필요로 한다. 따라서 여기에는 릴레이가 추가된다. PCB 설계는 몇 가지 다른 차이가 있다. 벅은 스위칭 레귤레이터이고, 따라서 추가 스위칭 핀으로 검출 한다. 이 핀은 트레이스와 핀의 양쪽에 20mm 거리를 두어 보드의 다른 부분들과 분리되어 있다. 벅 테스트 플랫폼을 위한 테스트는 LDO 플랫폼의 경우와 정확히 동일하다.
컨 옹 _ 텍사스 인스트루먼트
















































