닫기
배너

전원 시퀀싱 간소화 가이드

  • 등록 2017.03.20 09:30:16
URL복사

다중 전원을 사용하는 디자인을 설계할 때는 전원 레일이 하나 추가될 때마다 설계 작업이 곱절로 어려워진다. 전원 시퀀싱과 타이밍, 파워온 리셋, 시스템을 보호하기 위한 결함 모니터링과 그에 따른 대처가 적절히 이루어지도록 설계해야 한다. 


숙련된 디자이너라면, 프로젝트를 프로토타입 단계에서부터 생산 착수 단계까지 진행하면서 이러한 목표를 성공적으로 달성하기 위해서는 유연성이 무엇보다도 중요하다는 것을 잘 알 것이다. 이상적인 솔루션이 되기 위해서는 개발 작업 시에 하드웨어와 소프트웨어 변경을 최소화해야 한다.


다중 전원 디자인에 사용하기에 이상적인 솔루션이 되기 위해서는, 단일 IC로 되어 있으면서 제품의 수명이 다할 때까지 어떠한 배선 변경을 필요로 하지 않아야 할 것이다. 또한 다중의 전원 레일을 자율적으로 감시 및 시퀀싱 하고, 다른 IC들과 협력적으로 동작해서 시스템 내의 다수의 전원 레귤레이터를 매끄럽게 감시하고, 결함 및 리셋 관리를 할 수 있어야 할 것이다. 또한 강력한 PC 기반 소프트웨어를 사용해서 I2C 버스로 연결되었을 때 실시간으로 시스템 동작을 구성, 시각화, 디버그 할 수 있어야 할 것이다. 


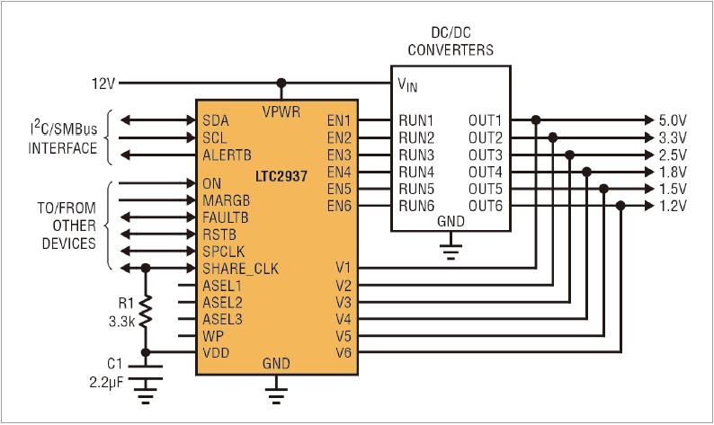
리니어 테크놀로지의 LTC2937이 바로 그러한 제품이다. LTC2937은 EEPROM을 통합한 6채널 전압 시퀀싱 및 감시 IC이다. 6개 채널 각각으로 2개의 전용 비교기를 사용해서 과전압 및 저전압 조건을 φ0.75% 이내로 정확하게 모니터링한다. 비교기 임계값은 8비트 분해능을 사용해서 0.2V~6V로 개별 프로그램 할 수 있다. 이들 비교기는 빠르며, 글리치(glitch)를 일으키지 않으면서 전달 지연이 10?s이다. 각 시퀀싱 채널이 인에이블(enable) 출력을 사용해서 외부 레귤레이터나 통과 FET 게이트를 제어할 수 있다. 업 시퀀싱 및 다운 시퀀싱 순서, 시퀀싱 타이밍 파라미터, 결함 응답을 비롯해서 감시기 전압 및 시퀀서 타이밍에 관련된 모든 측면을 개별적으로 구성 가능하다. 


또한 EEPROM을 통합함으로써 이 IC가 전적으로 자율적으로 동작할 수 있으며 시스템을 제어하기에 적절한 상태로 파워업 할 수 있다. 또한 다중의 LTC2937이 협력적으로 동작해서 단일 와이어 통신 버스를 통해 시스템 내의 최대 300개 전원을 자율적으로 시퀀싱 할 수 있다.


또한 LTC2937의 자율적 결함 응답 동작과 디버그 레지스터를 통해서 전원 결함을 제어하고, 지시하고, 관리할 수 있다. LTC2937이 결함 조건을 검출하고 시스템을 통제된 방식으로 파워다운 할 수 있다. 결함이 발생되었을 때는 오프 상태로 있거나 또는 전원을 다시 시퀀싱 하는 것을 시도할 수 있다. 


마이크로컨트롤러와 I2C/SMBus를 사용하는 시스템에서는 LTC2937이 결함의 형태 및 원인과 시스템 상태에 관한 상세한 정보를 제공할 수 있다. 그러면 마이크로컨트롤러가 어떻게 대처할지에 관한 의사결정을 하거나 LTC2937로 하여금 스스로 대응하도록 할 수 있다.


▲ 그림 1. LTC2937을 사용해서 6개 전원 시퀀싱


전원 제어를 위한 3단계


전원 사이클은 3개 동작 단계로 이루어진다. 업 시퀀싱, 모니터링, 다운 시퀀싱이다. 그림 2는 통상적인 시스템으로 이들 단계를 보여준다. 업 시퀀싱 단계에는 각 전원이 자신의 차례를 기다렸다가 지정된 시간 안에 적정한 전압으로 파워업해야 한다. 모니터링 단계에서는 각 전원이 지정된 과전압 및 저전압 한계 이내로 머물러야 한다. 


▲ 그림 2. 전원 시퀀싱 파형


다운 시퀀싱 단계에서는 각 전원이 자신의 차례를 기다렸다가(대개 업 시퀀싱 때와 다른 순서) 지정된 시간 안에 파워다운해야 한다. 이러한 동작을 수행하면서 시스템은 어떤 문제로 인하여 결함이 발생될 수 있다. 그러므로 설계 시의 과제는 이들 모든 단계와 모든 변수를 손쉽게 구성 가능하고 신중하게 제어할 수 있는 시스템을 구현하는 것이다.


업 시퀀싱은 ON 입력이 활성 상태로 전환할 때 시작된다. LTC2937이 업 시퀀싱을 진행시켜서 각 전원을 차례대로 작동시키고 전원 전압이 지정된 시간 안에 지정된 임계값보다 높게 상승하도록 한다. 어떤 전원이 지정된 타이밍을 충족하지 못하면 시퀀싱 결함이 발생된다.


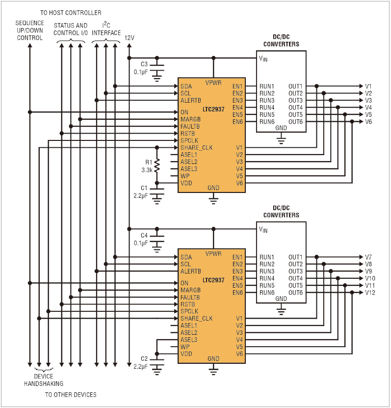
LTC2937의 고유의 이점은 시퀀싱 위치 클록을 사용한다는 것이다. 각 채널로 시퀀싱 위치(1~1023)를 지정하고 그 번호로 카운팅 될 때 이 채널로 인에이블(enable) 신호가 주어진다. 시퀀싱 위치 1인 채널은 시퀀싱 위치 2인 채널보다 앞서서 인에이블된다. 


만약에 시스템 사양이 변경되어서 이들 두 채널을 다른 순서로 시퀀싱 해야 한다면 이 시퀀싱 위치를 바꿔서 두 번째 채널을 시퀀싱 위치 1로 지정하고 첫 번째 채널을 위치 2로 지정할 수 있다. 다중의 LTC2937이 시퀀싱 위치 정보를 공유할 수 있다. 


그러므로 시퀀싱 위치 N이 모든 LTC2937 칩에서 동시에 일어나게 할 수 있으며 각기 다른 칩들로 제어되는 채널들이 동일 시퀀스에 참여할 수 있다(그림 3).


▲ 그림 3. 다중의 LTC2937을 사용할 때의 연결


모니터링 단계는 마지막 채널이 업 시퀀싱을 하고 자신의 저전압 임계값을 통과할 때 시작된다. 모니터링 단계일 때는 LTC2937이 정확도 뛰어난 비교기를 사용해서 각 입력에 대해서 과전압 및 저전압 임계값을 연속적으로 모니터링한다. 입력 상의 사소한 글리치는 무시하며, 충분한 시간 동안 충분한 크기로 전압이 정해진 임계값을 넘을 때만 결함이 발생된 것으로 트리거한다. 


LTC2937이 결함을 검출하면 지정된 감시기 결함 응답 동작에 따라서 즉각적으로 대응한다. 통상적인 시나리오라고 하면, 모든 전원을 동시에 셧다운 시키고, 시스템으로 RESETB를 선언하고, 정상적 스타트업 시퀀스에 따라서 다시 업 시퀀싱을 시도한다. 이렇게 함으로써, 시스템의 일부분만 구동하고 나머지 부분은 구동하지 않거나 결함 후에 통제되지 않은 복구가 일어나는 것을 방지한다. 시스템 내의 다중의 LTC2937이 결함 상태를 공유하고, 서로 상대방의 결함에 응답하고, 결함 복구 시에 협력적인 채널들 사이에 완벽한 일관성을 유지할 수 있다. LTC2937은 다수의 프로그램 가능 결함 응답 동작을 제공하므로 다양한 시스템 구성을 충족할 수 있다.


다운 시퀀싱 단계는 ON 입력이 로우로 전환할 때 시작된다. 시퀀싱 위치 클록이 다시 카운팅을 시작해서 전원들을 파워다운 한다. 다운 시퀀싱 파라미터들은 업 시퀀싱 파라미터와 다르게 할 수 있다. 채널들을 어떤 순서로나 다운 시퀀싱 할 수 있으며, 다중의 LTC2937 칩이 모든 전원을 협력적으로 통제된 방식으로 시퀀싱 할 수 있다. 다운 시퀀싱 때는 각 전원이 지정된 시간 한계 안에 방전 임계값 아래로 떨어져야 한다. 그러지 않으면 시퀀싱 결함이 트리거 된다. LTC2937은 서서히 움직이는 전원을 빨리 방전시키기 위해서 선택적인 전류 소스를 사용해서 전원을 풀다운 할 수 있다.


시퀀싱 위치 클록은 이벤트 기반 시퀀싱 순서를 적용한다. 그러므로 매 이벤트는 선행하는 이벤트가 완료되기를 기다렸다가 계속할 수 있다. LTC2937은 시간 기반 시퀀싱을 사용할 수도 있다. 그러므로 전원 레일을 사전에 지정된 시점에 인에이블 시키는 시스템에 사용할 수 있다. 재구성 가능 레지스터는 시간 기반 모드로나 이벤트 기반 모드로나 동작할 수 있다.


LTpowerPlay를 사용한 설계 간소화


LTC2937은 포괄적인 레지스터 셋을 제공하므로 성능적으로 강력하다. 하지만 이것을 익히기는 간단치 않다. LTpowerPlay 그래픽 사용자 인터페이스(GUI)는 단일의 인터페이스를 통해서 모든 상태 및 디버그 레지스터 정보를 표시한다. 이 GUI는 I2C/SMBus를 통해서 LTC2937을 비롯한 어떠한 Linear Technology 전원 시스템 관리 IC하고나 통신할 수 있다. 그러므로 하나 이상의 LTC2937을 구성하는 작업을 몇 번의 마우스 클릭만으로 간편하게 할 수 있다.


LTpowerPlay가 PC 상에서 설정을 저장하고 이것을 LTC2937의 EEPROM으로 쓸 수 있다. 또한 이 GUI는 시스템 오작동과 관련해서 모든 디버그 정보를 보여준다. 어떤 전원이 과전압이거나 저전압이거나 또는 시퀀싱 타이밍을 충족하지 못하는 것을 LTpowerPlay가 알려줄 수 있다. 또한 결함이 발생되었을 때는 이 GUI를 사용해서 시스템을 재시작 하는 것을 완벽하게 제어할 수 있다. LTpowerPlay는 스타트업, 구성, 디버그, 작동을 비롯한 모든 단계에 걸쳐서 시스템 성능을 살펴볼 수 있는 꼭 필요한 창구를 제공한다.


▲ 그림 4. LTpowerPlay GUI는 단일 인터페이스를 통해서 모든 상태 및 디버그 레지스터 정보를 표시한다. 하나 이상의 LTC2937을

구성하는 작업을 몇 번의 마우스 클릭만으로 간편하게 할 수 있다. LTpowerPlay가 PC 상에서 설정을 저장하고 이것을 LTC2937의

EEPROM으로 쓸 수 있다.


▲ 표 1. EEPROM을 통합한 6채널 시퀀싱 및 감시 IC 제품


맺음말


LTC2937을 사용하면 전원 시스템 시퀀싱과 감시를 간소화할 수 있다. 전체적인 시스템에 필요로 하는 보드 면적을 크게 줄일 수 있다. 유연성과 재구성 가능성이 뛰어날 뿐만 아니라, EEPROM 메모리를 통합함으로써 자율적인 제어가 가능하다. 또한 이 디바이스를 단독적으로 동작하거나, 또는 대규모 시스템에서는 다른 칩들과 협력적으로 동작해서 최대 300개까지의 전원을 조화롭게 시퀀싱 할 수 있다.


Nathan Enger, Senior Applications Engineer, Mixed Signal Products, Linear Technology














배너




주요파트너/추천기업