닫기
배너

소형 풋프린트로 낮은 DCR 검출 사용...120A를 공급하는 4위상 전원 장치

  • 등록 2015.10.23 16:34:45
URL복사

리니어 테크놀로지의 듀얼 출력 동기 벅 컨트롤러(LTC3875)는 오늘날 고속, 고용량 데이터 처리 시스템과 통신 시스템, 산업용 장비, DC 전력 분배 시스템의 전력 밀도 요구를 충족시킨다. 이 컨트롤러는 6mm×6mm 40핀 QFN으로 강력한 드라이버들을 통합하고 있으며, 신뢰할 수 있는 전류 모드 제어와 극히 낮은 DCR 검출을 사용해서 높은 효율을 달성한다.


다중 LTC3875를 병렬로 연결하면 더 높은 전류를 제공할 수 있으며, LTC3874를 사용하면 풋프린트를 소형화하면서 동일한 성능을 제공할 수 있다.


LTC3874는 소형 풋프린트(4mm×5mm QFN) 듀얼 PolyPhase® 전류 모드 동기 스텝다운 슬레이브 컨트롤러(위상 확장기)이다. 


이 제품은 LTC3875와 같은 마스터 컨트롤러와 짝을 이루어 고전류 다위상 애플리케이션에 사용하는 데 적합하다.
이 컨트롤러는 서브밀리옴(밀리옴 이하) DC 저항을 가진 전력 인덕터를 사용할 수 있으므로 효율을 극대화할 수 있다. 또한 시스템 결함에 즉각적으로 응답함으로써 전체 솔루션의 신뢰성을 향상시킨다.


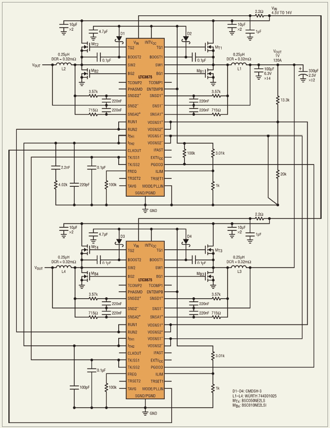
LTC3875를 병렬로 연결한 1V VOUT 120A 컨버터


LTC3875는 간편하게 듀얼 위상 단일 출력 동작으로 구성함으로써 높은 전류 출력을 제공할 수 있다. 이 디자인을 더 확장하여 병렬로 컨버터와 위상을 추가하면 더욱 더 높은 전류가 가능해진다.


그림 1. 단일 출력 4위상(1.0V/120A) 컨버터


그림 1은 2개 LTC3875를 사용한 4.5V∼14V 입력 단일 출력 애플리케이션을 나타낸 것이다. LTC3875 2개의 4개 채널이 90° 위상 편이로 동작함에 따라, 입력 RMS 전류 리플과 필요한 커패시터의 크기를 줄인다. 각 위상이 하나의 상단 MOSFET과 하나의 하단 MOSFET을 사용해 30A의 전력을 공급한다.


이 컨트롤러는 고유의 전류 검출 아키텍처를 사용해 신호대 잡음비를 높임으로써 1mΩ 이하, 극히 낮은 인덕터 DCR의 낮은 검출 신호로도 전류 모드를 제어할 수 있다. 따라서 효율이 높고 지터는 낮다. 전류 모드 제어로서 신속한 사이클 단위(Cycle-by-cycle) 전류 제한, 전류 공유, 간편한 피드백 보정이 가능하다.


그뿐 아니라 PCB 레이아웃을 신중하게 함으로써 낮게는 0.2mΩ에 이르는 DCR 값을 검출할 수 있다. 


LTC3875는 SNSD+와 SNSA+ 2개의 양의 검출 핀을 사용해 신호를 포착한다. SNSD+의 필터 시정수(Time Constant)가 출력 인덕터의 L/DCR과 일치해야 하며, SNSA+에서의 필터는 대역폭 SNSD+에서의 5배가 되어야 한다. 


또한 추가적인 온도 보정 회로를 사용함으로써 넓은 온도 범위와 DCR 변동에 대해 정확한 전류 제한이 이루어지도록 할 수 있다.



 


그림 2. 그림 1에 나타난 회로의 효율
그림 3. 4채널 레귤레이터의 열 영상
그림 4. 고전류 부하일 때도 4개 채널들 사이에 DC 전류 공유가 균등하게 이루어지고 있다

-----------------------------------------------------------------------------


매우 낮은 DCR을 가진 인덕터를 사용하면 효율을 극대화할 수 있다. 그림 2와 같이, 강제 연속 모드(CCM)에서 전체 솔루션 효율이 12V 입력 및 1.0V 120A 출력으로 87.1%에 이른다는 것을 알 수 있다.
또한 그림 3과 같이, 핫스팟(하단 MOSFET)의 온도 상승은 200 LFM 에어플로우를 사용해 58.1℃이다(주변 온도는 약 25℃).


그림 4는 4개 채널들 사이의 DC 전류 공유를 나타낸 것이다. 0.32mΩ DCR 인덕터를 사용하여 최대 부하일 때 차이가 약 2.0A(±3.5%)라는 것을 알 수 있다.


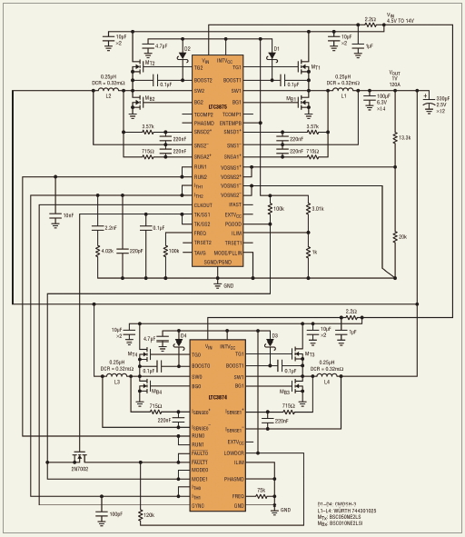
같은 1V 120A 컨버터로 LTC3874 슬레이브 컨트롤러를 사용해 크기와 부품 수 절감


그림 5. LTC3875와 LTC3874를 사용한 단일 출력 4위상(1.0V/120A) 컨버터



그림 5는 또 다른 방식의 동일한 4.5V∼14V 입력 단일 출력 애플리케이션으로, 이 경우 LTC3875와 LTC 3874를 사용했다. LTC3874 위상 확장기를 슬레이브 컨트롤러로 사용하고 있지만, 모든 프로그래머블 기능과 보호 기능을 지원한다.


•LTC3875와 LTC3874의 ITH 핀들을 연결함으로써 전류 공유가 가능해진다.
•LTC3875의 CLKOUT 핀을 LTC3874의 SYNC 핀으로 연결해서 스위칭 주파수를 동기화할 수 있다.
•LTC3874의 MODE 핀을 PGOOD으로 연결함으로써 스타트업 시 미리 바이어스된 부하 조건일 때 DCM 동작이 가능하다.
•LTC3874의 FAULT 핀은 INTVCC 핀에 풀업하고 TK/SS 핀 전압 제어 MOSFET을 거쳐서 LTC3875의 PGOOD 핀으로 연결한다. 그러면 결함이 생겼을 때 PGOOD 핀이 로우로 풀링되면 LTC3874가 두 채널을 셧다운 시킴으로써 보호 기능이 이루어진다.


LTC3875와 마찬가지로 LTC3874 역시 1mΩ 미만인 인덕터 DCR의 검출 신호로도 전류 모드 제어가 정확하게 이루어진다. 그런데 LTC3874는 마스터 LTC3875에 비해 핀아웃을 간소화할 수 있으며 DCR 전류 검출에 한 세트의 RC 소자들만 필요로 한다. RC 필터의 필터 시정수는 대역폭이 출력 인덕터 L/DCR의 5배여야 한다.


전체 솔루션 효율과 열 성능은 2개의 LTC3875를 사용한 솔루션과 같은 수준이다. 또한 4개 채널들 사이에서 DC 전류 공유가 정확히 이루어진다. 0.32mΩ DCR 인덕터를 사용하면 최대 부하일 때의 차이가 약 1.6A이다.


LTC3875는 소형화된 6mm×6mm 40핀 QFN으로, 크기에 걸맞지 않은 다수의 기능들을 제공한다. 신뢰할 수 있는 전류 모드 제어, 극히 낮은 DCR 검출, 강력한 드라이버 통합으로 높은 효율을 달성한다. 추종(Tracking), 다중 칩 동작, 외부 동기화 기능은 기능 목록을 더욱 더 다양하게 한다.


또한 슬레이브 컨트롤러 LTC3874를 LTC3875와 함께 사용하면 솔루션 풋프린트를 줄일 수 있다. LTC3875와 LTC3874는 통신 및 데이터 통신 시스템, 산업용, 컴퓨터 시스템 애플리케이션 등의 고전류 애플리케이션에 적합하다.


Yingyi Yan, Haoran Wu, Jian Li  리니어 테크놀로지














배너




주요파트너/추천기업