NTC Thermometer를 이용한 디지털 온도계 제작
온도를 측정하기 위한 센서에는 반도체를 이용하는 것과 두 금속의 접합부에서 발생하는 열기전력을 이용하는 것 등 여러 가지가 있다, 그 중에서도 써미스터(Themistor)는 가격이 낮고 높은 신뢰성을 지닌다.
NTC Themistor
NTC(Negative Temperature Coefficient of Resistance) 써미스터는 대부분 사용 온도가 300℃ 미만으로 Co, Mn, Ni, Cu, Fe 등의 금속산화물을 두 종류 또는 그 이상 혼합한다. 소결성 향상을 위해 CuO를, 저항값 감소를 위해 F₂O₃나 Li₂O를, 저항값 증가를 위해 Cr₂O를 첨가한다. 또한 1200∼1400℃의 고온에서 소성한 소결체로, 안정된 Spinel 구조나 Rock Salt 구조를 갖게 함으로써 저항이 (-)의 온도계수를 갖는 Thermally Sensitive Resistor이다.

그림 1. 써미스터 종류별 특성

그림 2. 디스크형

그림 3. 터미널형

그림 4. 막대형
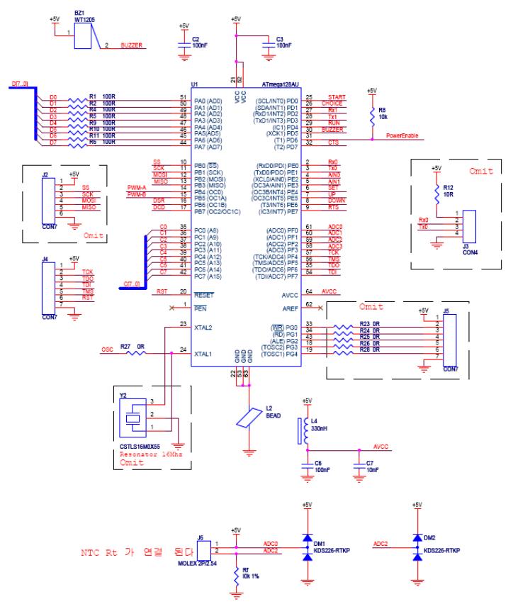
써미스터의 한 선을 +5V에 연결하고 직렬로 저항을 연결시킨 후 저항의 한 쪽은 0V로 향하게 한다. 써미스터와 직렬로 연결된 저항 사이에서 선로를 인출해 마이크로프로세서의 ADC PORT로 연결하면, 온도 변화에 따른 써미스터의 저항 변화에 대한 전압이 마이크로프로세서를 통해 디지털로 변화된다(그림 5 참조).

그림 5. 마이크로프로세서와 온도 센서 연결 도면
NTC 온도 측정을 위해 사용된 마이크로프로세서는 8bit로 많은 사용자를 가지고 있는 ATMEL의 ‘ATMega128’이며, 소스 코드를 다른 마이크로프로세서에 이식해 적용하는 것은 쉬울 것으로 판단된다. 핵심 코드는 Temp_Cal() 이며, 온도에 따른 써미스터의 저항 변화를 AD를 통해 전압으로 읽어 들이고, 이러한 전압을 특별한 공식을 이용해 온도 값으로 연산하고 표시한다.
Steinhart–Hart 방정식이
조건이
식 1과 식 2를 사용할 수 있다.
그림 6. 온도 계산 함수
그림 6에서 Temp_Cal() 함수의 마지막에 25℃를 기준으로 온도 보상이 이루어진다. 25℃와 50℃의 온도에서 데이터 로거와 제작한 온도계의 온도 차는 약 2℃로, 보상을 위한 조건문을 삽입했다.
그림 5에서 위치번호 J6으로 표현된 곳에 써미스터가 연결된다. ATMega128에 내장된 10bit ADC를 이용한 써미스터의 변화된 저항값을 전압으로 디지털 변환해 읽어 온다.

그림 7. 온도 표시부
그림 7은 측정된 온도를 표시하기 위해 FND를 사용하여 측정된 써미스터의 저항을 전압으로 입력받아 연산한 결과를 표시하기 위한 것이다. FND는 위치정보 U3 과 U4로 나누어 표시됐지만 온도가 표시될 때에는 연결해 읽어보면 된다.

그림 8. 전원부와 키보드 입력부
결론
감도오차(Sensitivity Error)를 보상해 주고 온도계용 데이터 로거를 사용해 비교 측정을 했으며, 연결된 센서는 써모커플 K type이다. 온도로거의 온도는 53.1℃이지만 PCB로 제작된 온도계는 52.9639℃였다. 측정 결과, 써미스터를 사용한 온도계가 -0.1361℃ 정도로 미소하게 작아 만족할 만한 결과를 얻을 수 있었다.
초기 개발에서는 감도 오차가 없다고 생각했지만 그림 12에 보이는 분홍색의 장치를 사용해 센서에 온도를 올려 측정해 본 결과, 감도오차(Sensitivity Error)가 있어 보상을 해 줬다. 하지만 –온도는 검증되지 않았다. 분홍색의 장치는 찜질용 안대를 데우는 본체로, 온찜질과 냉찜질을 모두 할 수 있는 제품이다. 이 제품 역시 NTC 써미스터를 이용한 온도센서로 온도를 제어한다.
NTC 소자를 이용한 써미스터 온도센서는 저렴한 가격과 견고성, 신뢰성이 특징이다. 하지만 열이 센서로 전달 되는 데 일정 시간이 걸린다는 단점이 있다. 여기에 사용한 센서는 약 7.5초의 시간 지연이 일어난다. 물론 작은 NTC를 사용하면 지연 시간이 줄어든다. NTC가 SMD로 제작된 부품도 시중에 많이 유통된다. 개발에 사용된 컴파일러는 WinAVR이며 통합 환경은 AVR STUDIO에서 진행했다.

그림 9. PCB 뒷면

그림 10. PCB 앞면

그림 11. 감도오차를 보상 전 동작 상태

그림 12. 감도오차를 보상 후 동작 상태
정홍근 객원전문기자 (트리비스 개발부장)





